LiveLink Premium Controller DALI-2 valaistuksenohjausjärjestelmän reititinyksikkö. Itse reititinyksikössä on ohjaus yhdelle DALI-väylälle. LiveLink Premium Controller yksikköön voi liittää enintään 5 kpl LiveLink Gateway yksikköä (Gateway yksikössä on 2xDALI-väylää). Ohjain tukee…
Alla olevien tuotteiden lisäksi, valikoimaan kuuluu lisäksi useita muita tuotteita. Lue lisää toimittajamme sivulta:Lue lisää
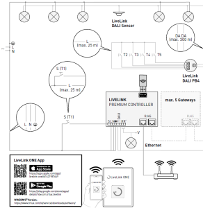
LiveLink Premium Controller DALI-2 valaistuksenohjausjärjestelmän reititinyksikkö. Itse reititinyksikössä on ohjaus yhdelle DALI-väylälle. LiveLink Premium Controller yksikköön voi liittää enintään 5 kpl LiveLink Gateway yksikköä (Gateway yksikössä on 2xDALI-väylää). Ohjain tukee DALI-2 tunnistimia ja painonappeja ja kykenee tilanneohjaukseen. Ohjelmointi helppokäyttöisen ja palkitun TRILUX LiveLink ONE ohjelmiston avulla. Ohjain voidaan myös liittää internettiin jota kautta ohjain voi syöttää tietoa TRILUX Cloudiin.
Käyttöalue
Koko kiinteistön valaistuksen ohjaukseen
Ohjaustapa
LiveLink Premium ohjaa valaistusta DALI:n kautta. Ohjaimeen voidaan liittää DALI-2 tunnistimia ja -painikkeita. Ohjaimeen voidaan myös liittää esim DALI-2 releitä
Ei linkitettyjä referenssejä
